
磁性過濾器
特 點:
1.磁芯的子彈型錐體設計確保磁場與物料流較優接觸。
2.磁芯磁場3000GS-15000Gs 可選,確保鐵雜質可以被牢靠吸附,直到被清除。
3.清洗過程簡單方便-松開鎖扣,拉開裝磁芯的門,擦洗干凈。
4.特殊要求,可以訂做。
應用領域:
永磁筒主要安裝在輸送管道系統中,可以從干性的重力物料或者氣體帶動物料中清除鐵屑和較大塊鐵磁性雜質,被廣泛的應用在面粉加工,磨坊,谷物加工,料加工,高嶺土或者滑石粉加工等場所。

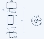
設備參數
型號 | 尺寸 | 重量(KG) | |||
ΦA | B | C | H | ||
SWBM50 | 51 | 150 | 114 | 380 | 9 |
SWBM65 | 76 | 185 | 168 | 540 | 20 |
SWBM100 | 100 | 165 | 219 | 586 | 34 |
SWBM150 | 150 | 225 | 273 | 655 | 48.5 |
SWBM200 | 198 | 275 | 355 | 760 | 100 |
SWBM250 | 248 | 325 | 426 | 850 | 121 |
SWBM300 | 298 | 395 | 480 | 880 | 143 |
SWBM400 | 395 | 480 | 610 | 1100 | 227 |
磁性過濾器
磁性過濾器 2023-5-16 本文被閱讀 1449 次
| 上一條:全自動電磁干粉除鐵機 | 下一條:RCDB懸掛式電磁除鐵器 |



